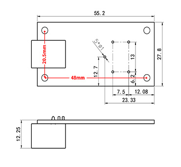
產品型號:SN-*-*-TTL-MZ-*
氣體傳感器模組SN-*-*-TTL-MZ-*是我公司自主研發的一款檢測環境氣體濃度的通用型、小型化模組,用于檢測空氣環境中的氣體濃度參數。
功能特點:
(1). 采用一線大品牌電化學傳感器,具有反應迅速靈敏、抗干擾能力強的特點,
(2). 經過我司獨有的補償算法、多段標準氣體標定,具有長壽命、高精度、高重復性和高穩定性的特點。
(3). 采用4.5~5.5VDC直流供電,TTL信號輸出,可選配0~3V模擬量輸出。
供電電源 | 4.5~5.5 DC | |
平均功耗 | 0.3W(5VDC) | |
輸出信號 | TTL串口輸出、0~3V模擬量輸出(選配) | |
重復性 | NH3/H2/CO(1000ppm)/H2S/CH4/NO2/SO2/O3/PH3:≤2% CO(2000ppm) :≤3% O2:≤1% | |
穩定性 | CO(1000ppm)/H2S/H2/NO2/SO2/NH3/PH3 | ≤2%信號值/月 |
CH4/O3 | ≤7%信號值/年 | |
CO(2000ppm)/O2 | ≤5%信號值/年 | |
工作溫度 | H2/CO/H2S/CH4/NO2/SO2/O2/NH3/PH3:-20~50℃ O3:-20~50℃ | |
工作濕度 | NH3/H2/CO/H2S/NO2/SO2/O3/PH3:15~90%RH 無冷凝 O2:5~95%RH 無冷凝 CH4:0~95%RH 無冷凝 | |
工作壓力 | NH3/H2/CO(1000ppm)/H2S/SO2/O2/O3/PH3 | 90~110Kpa |
NO2 | 91~111Kpa | |
CH4 | 80~116Kpa | |
CO(2000ppm) | 80~120Kpa | |
預熱時間 | NH3/H2/CO/H2S/CH4/NO2/SO2/O3/O2/PH3: ≥5分鐘 | |
以上所有規格參數均在環境條件:溫度20℃、相對濕度50%RH、1個大氣壓,待測氣體濃度最大不超過傳感器量程的環境下測得。
